所屬類別:單梁起重機→LD單梁起重機
產品介紹:
LD單梁起重機橋架的主梁多采用工字型鋼或鋼型與鋼板的組合截面。起重小車常為手拉葫蘆、電動葫蘆或用葫蘆作為起升機構部件裝配而成。單梁橋式起重機廣泛應用于機械制造車間、冶金車間、石油、石化、港口、鐵路、民航、電站、造紙、建材、電子等行業的車間、倉庫、料場等。具有外形尺寸緊湊、建筑凈空高度低、自重輕、輪壓小等優點。
D型電動單梁起重機是在“LD”的基礎上進行改進設計的,較“LD型”具有結構合理,整機剛性強的特點。整機與CD型、MD型電動葫蘆配套使用,是一種輕小型的起重機械。
其起重量為1t-10t??缍葹?.5-22.5m, 工作級別為A3-A5,工作環境溫度為-25度-40度。本產品廣泛用于工廠、倉庫、料場等不同場合吊運貨物,禁止在易燃、易爆、腐蝕性介質環境中使用。本產品設有地面和操縱室兩種操作形式。操縱室有開式、閉式兩種,可根據實際情況分為左或右兩種形式,入門方向有側面及端面兩種,以滿足用戶在各種不同需要的情況下進行選擇。
產品特點:
電動葫蘆小車在主梁下翼緣運行,電動葫蘆布置在主梁下方的橋式起重機。經過LD型的改進,形成了一種叫LDA型(JB/T1306)的電動單梁起重機。另外還有不常見的電動單梁起重機的另外2種型號:LDP型電動單梁起重機(偏掛式)和LDC型電動單梁起重機(歐式)。
產品參數:
| 跨 度 |
提升
高度 |
工作制度 | 電流
種類 |
大車運行機構 |
配套電 |
吊車
總長 |
主 要 尺 寸 | 總 重 | 最 大 輪 壓 | ||||||||||||||||||||||||||||||||||||
| 運行速度 | 電動機 | h | H | L1 | L2 | K | B | Total weight | Max. Wheel Loading | ||||||||||||||||||||||||||||||||||||
| 地面操縱 | 操縱室操縱 | 型號 | 功率 | 型號 | 起升速度 | 運 行 速 度 |
1t | 2 t |
3 t |
5 t |
1 0 t |
1 t |
2 t |
3 t |
5 t |
1 0 t |
1 t |
2 t |
3 t |
5 t |
1 0 t |
1 t |
2 t |
3 t |
5 t |
1 0 t |
1 - 5 t |
1 0 t |
1 - 5 t |
1 0 t |
1t | 2t | 3t | 5t | 10t | 1t | 2t | 3t | 5t | 10t | |||||
| m | m | m/min | kw | m/ min |
m | t | KN | ||||||||||||||||||||||||||||||||||||||
| 7.5 |
6 9 12 18 24 30
|
A5 | 3 8 0 V 5 三
|
30
20
|
30
45
|
ZD Y 21 -4
ZDR |
2 0.8
2× 1.5 |
MDI 型
CDI |
8 / 0 . 8 7
8 7 |
2 0 |
跨度span
S+2× 130 |
810 | 1 0 0 0 |
1 1 5 0 |
1 3 8 0 |
1 4 6 0 |
4 9 0 |
4 9 0 |
5 3 0 |
5 8 0 |
8 3 0 |
7 9 6 |
8 7 1 . 5 |
8 1 8 . 5 |
8 4 1 . 5 |
1 2 3 5 |
1 2 7 4 |
1 2 9 2 . 5 |
1 2 9 1 |
1 3 1 0 |
1 9 3 5 |
2 0 0 0 |
2 0 0 0 |
2 5 0 0 |
2 5 0 0 |
2.26 | 2.4 | 2.51 | 2.8 | 4.3 | 13.8 | 19.4 | 24.5 | 35.8 | 67 |
| 8 | |||||||||||||||||||||||||||||||||||||||||||||
| 2.3 | 2.5 | 2.6 | 2.9 | 4.4 | 13.9 | 19.5 | 24.6 | 35.9 | 67 | ||||||||||||||||||||||||||||||||||||
| 8.5 | |||||||||||||||||||||||||||||||||||||||||||||
| 2.4 | 2.5 | 2.62 | 2.9 | 4.5 | 14.0 | 19.6 | 24.8 | 36.0 | 67 | ||||||||||||||||||||||||||||||||||||
| 9 | |||||||||||||||||||||||||||||||||||||||||||||
| 2.6 | 2.7 | 2.98 | 4.62 | 4.6 | 14.2 | 19.8 | 24.9 | 36.2 | 69 | ||||||||||||||||||||||||||||||||||||
| 9.5 | |||||||||||||||||||||||||||||||||||||||||||||
| 2.5 | 2.6 | 2.73 | 3.05 | 4.7 | 14.3 | 19.9 | 25.0 | 36.3 | 69 | ||||||||||||||||||||||||||||||||||||
| 10 | |||||||||||||||||||||||||||||||||||||||||||||
| 2.51 | 2.64 | 2.8 | 3.1 | 4.8 | 14.4 | 20.0 | 25.2 | 36.5 | 70 | ||||||||||||||||||||||||||||||||||||
| 10.5 | |||||||||||||||||||||||||||||||||||||||||||||
| 2.6 | 2.75 | 2.9 | 3.2 | 5.0 | 14.5 | 20.1 | 25.3 | 36.6 | 70 | ||||||||||||||||||||||||||||||||||||
| 11 | |||||||||||||||||||||||||||||||||||||||||||||
| 1 4 9 5 |
8 7 5 |
2.0 | 2.7 | 2.84 | 3.2 | 5.1 | 14.6 | 20.2 | 25.4 | 36.7 | 71 | ||||||||||||||||||||||||||||||||||
| 11.5 | |||||||||||||||||||||||||||||||||||||||||||||
| 1 0 5 0 |
1 4 0 0 |
5 8 0 |
6 6 0 |
2.04 | 2.87 | 3 | 3.7 | 5.2 | 14.7 | 20.5 | 25.6 | 36.8 | 73 | ||||||||||||||||||||||||||||||||
| 12 | |||||||||||||||||||||||||||||||||||||||||||||
| 2.1 | 2.93 | 3.1 | 3.8 | 5.3 | 14.8 | 20.6 | 25.8 | 38 | 73 | ||||||||||||||||||||||||||||||||||||
| 12.5 | |||||||||||||||||||||||||||||||||||||||||||||
| 2 5 0 0 |
2 5 0 0 |
3 0 0 0 |
3 0 0 0 |
2.8 | 3.0 | 3.2 | 3.9 | 5.4 | 15.1 | 20.9 | 26.1 | 38.3 | 73 | ||||||||||||||||||||||||||||||||
| 13 | |||||||||||||||||||||||||||||||||||||||||||||
| 2.86 | 3.1 | 3.2 | 3.97 | 5.5 | 15.3 | 21.1 | 26.2 | 38.5 | 73 | ||||||||||||||||||||||||||||||||||||
| 13.5 | |||||||||||||||||||||||||||||||||||||||||||||
| 2.9 | 3.1 | 3.3 | 4 | 5.6 | 15.4 | 21.2 | 26.4 | 38.7 | 73 | ||||||||||||||||||||||||||||||||||||
| 14 | |||||||||||||||||||||||||||||||||||||||||||||
| 1 5 0 5 |
8 8 5 |
3 | 3.2 | 3.3 | 4.1 | 5.7 | 15.5 | 21.3 | 26.5 | 38.9 | 74 | ||||||||||||||||||||||||||||||||||
| 14.5 | |||||||||||||||||||||||||||||||||||||||||||||
| 860 | 1 0 6 0 |
1 1 7 0 |
1 4 1 5 |
5 8 0 |
6 6 0 |
7 8 5 |
3.1 | 3.3 | 3.93 | 4.5 | 5.8 | 15.8 | 21.7 | 27.8 | 38.8 | 74 | |||||||||||||||||||||||||||||
| 15 | |||||||||||||||||||||||||||||||||||||||||||||
| 3.2 | 3.4 | 4 | 4.6 | 5.9 | 16.0 | 21.8 | 28.0 | 40.0 | 75 | ||||||||||||||||||||||||||||||||||||
| 15.5 | |||||||||||||||||||||||||||||||||||||||||||||
| 3.2 | 3.5 | 4.1 | 4.7 | 6.0 | 16.1 | 21.9 | 28.2 | 40.2 | 75 | ||||||||||||||||||||||||||||||||||||
| 16 | |||||||||||||||||||||||||||||||||||||||||||||
| 3.3 | 3.52 | 4.2 | 4.8 | 6.1 | 16.2 | 22.1 | 28.4 | 40.4 | 76 | ||||||||||||||||||||||||||||||||||||
| 16.5 | |||||||||||||||||||||||||||||||||||||||||||||
| 3.3 | 3.58 | 4.3 | 4.9 | 6.2 | 16.2 | 22.2 | 28.5 | 40.6 | 76 | ||||||||||||||||||||||||||||||||||||
| 17 | |||||||||||||||||||||||||||||||||||||||||||||
| 3.38 | 3.64 | 4.3 | 4.97 | 6.4 | 16.5 | 22.3 | 28.9 | 40.8 | 77 | ||||||||||||||||||||||||||||||||||||
| 17.5 | |||||||||||||||||||||||||||||||||||||||||||||
| 870 | 1 0 7 0 |
1 1 7 5 |
1 4 3 0 |
5 4 0 |
6 7 0 |
7 5 5 |
8 3 0 |
3 0 0 0 |
3 0 0 0 |
3 5 0 0 |
3 5 0 0 |
3.14 | 4.7 | 5.14 | 5.5 | 7.5 | 17.4 | 24.8 | 31.0 | 42.3 | 80 | ||||||||||||||||||||||||
| 19.5 | |||||||||||||||||||||||||||||||||||||||||||||
| 1 1 1 0 |
1 2 0 0 |
1 4 7 5 |
5 8 0 |
7 9 5 |
8 3 0 |
8 8 5 |
4.2 | 5.58 | 5.8 | 6.7 | 8.2 | 18.4 | 26.8 | 32.4 | 45.0 | 82 |
|||||||||||||||||||||||||||||
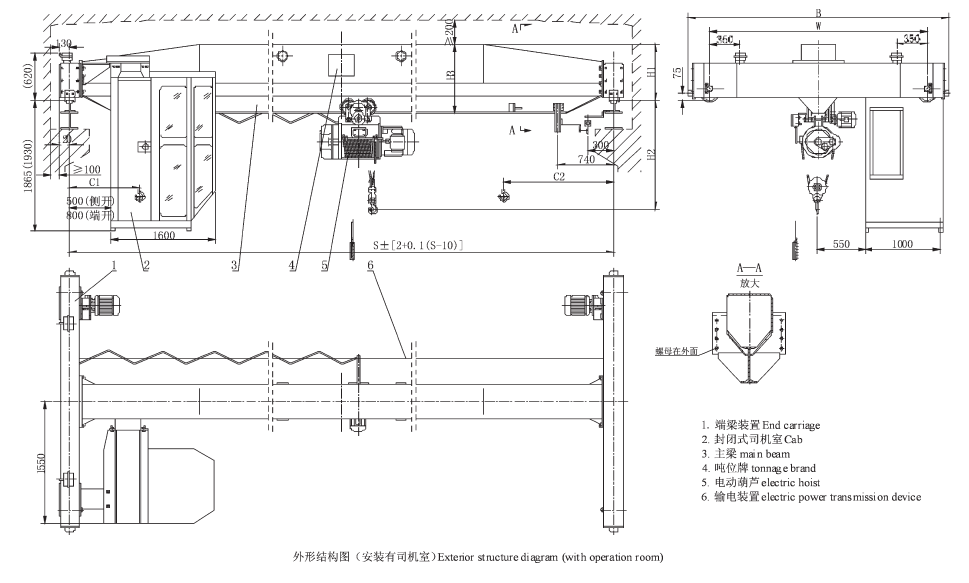
產品結構圖:

【訂貨須知】(因起重機大部分為非標產品,訂貨前需預先了解如下內容):
1.訂貨前應確定起重機主要參數:起重量、跨度、起升高度、工作制度、軌道型號、承軌梁到屋頂最低點的距離和
操縱室型式與開門方向等。
2. 當露天使用時,需帶防雨設施。
3. 網站所標為標準件產品,僅供參考,具體由客戶所提供的參數確定,完全可按客戶需求定制。

