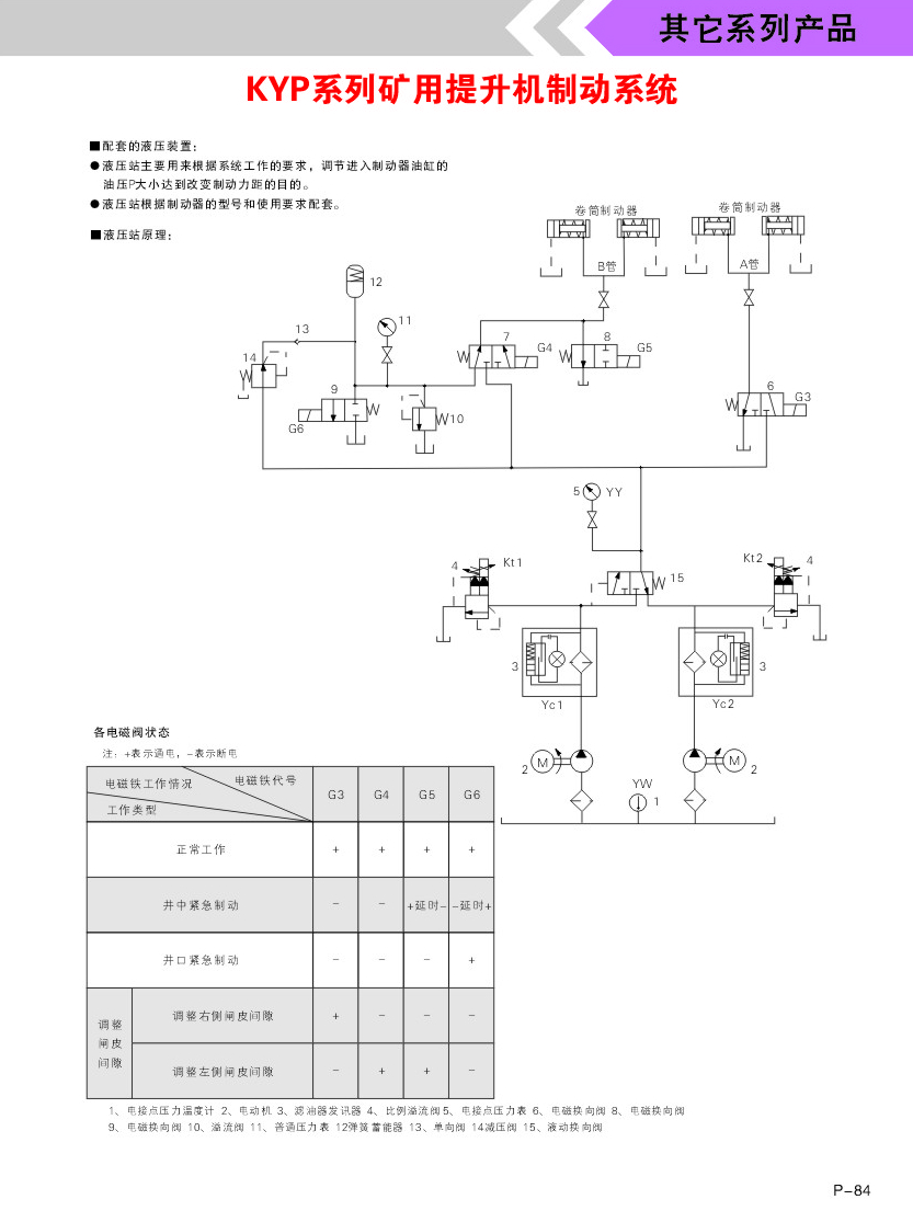
KYP系列礦用提升機制動系統

詳細說明
煤礦機械專用制動器
KYP系列礦用提升機制動系統:
KYP系列礦用提升機制動系列主要用于大型機電設備的工作制動和緊急安全制動。由于其屬常閉式結構,因此也具有定車作用。
主要特點:
提供平穩均勻的摩擦制動力
其屬常閉式結構,停車性能可靠。
無石棉制動襯墊為插裝式,更換方便快捷。
釋放限位開關,可實現制動是否正常釋放的信號顯示。
使用條件:
工作環境溫度不大于40°
無足以繡蝕金屬的氣體及塵埃的環境
周圍工作環境不得有易燃、易爆及腐蝕性氣體,否則應采用防腐性產品。
無顯搖擺和劇烈震動、沖擊的場合。


KYP系列礦用提升機制動系統:
咨詢訂購型號:
KYP-25 KYP-40
KYP-63 KYP-80
KYP-100 KYP-160
KYP-200

