液壓失效保護制動器

SDBH_I系列液壓失效保護盤式制動器
詳細說明
概述:常閉式設計,液壓松閘,符合JB / T10917-2008 《鉗盤式制動器》標準。全自動隨位裝置確保制動器釋放狀態下與制動盤問隙均等,避免浮貼現象。**高的可調性可有效彌補安裝現場出現的誤差。配備交直流寬電壓開閘和磨損感應開關,可進行聯鎖保護和故障警示。廣泛用于大中型起重機,港口裝卸機械起升以及臂架俯仰機構低速軸緊急安全制動,礦用卷揚機,提升機和大功率傾斜式皮帶運輸機的工作制動和緊急安全制動,纜車和索纜起重機驅動機構的安全制動,鑄造起重機等特種起重機起升機構低速軸的安全(緊急)制動。
使用條件:
工作油壓: 8-9.5MPa 。
環境溫度:-5℃--40℃ 。
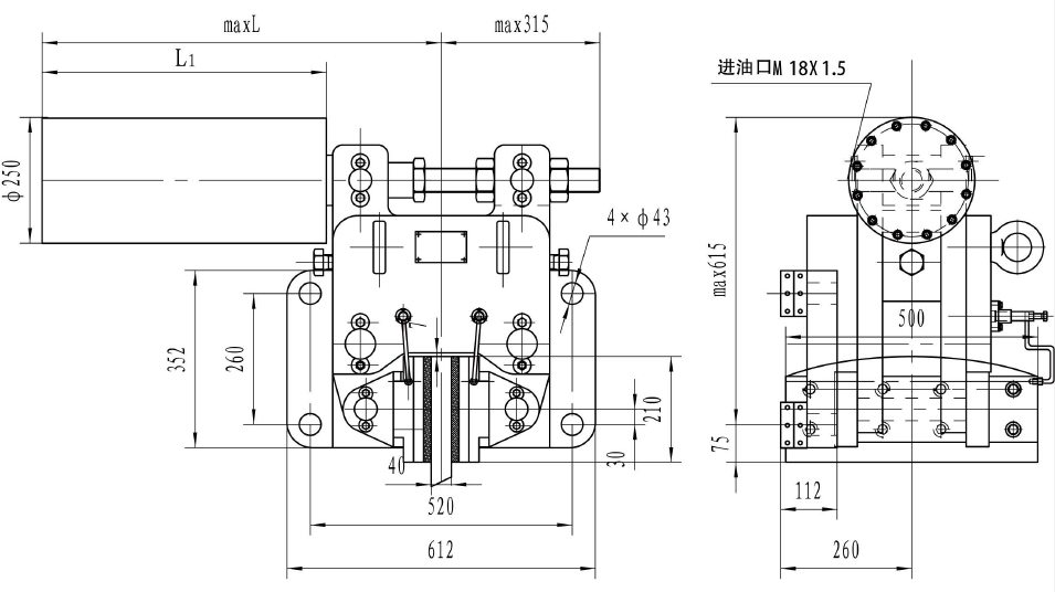
產品詳情

型號意義

技術參數及外形尺寸表
|
產品型號 |
額定夾緊力KN |
制動力KN |
單側退距 mm |
工作油壓 MPa |
油缸開閘油量 ml |
L |
L1 |
重量kg |
|
SDBH250- I |
250 |
180 |
1?2 |
8 |
275 |
595 |
378 |
660 |
|
SDBH365- I |
365 |
262 |
1?2 |
8 |
275 |
790 |
570 |
720 |
|
SDBH425- I |
425 |
306 |
1?2 |
9.5 |
275 |
790 |
570 |
730 |

